Deer 700K Crawler Dozer (S.N. 217278-275435) Diagnostic, Operation and Test Service Manual (TM12294)


Product picture Deer 700K Crawler Dozer (S.N. 217278-275435) Diagnostic, Operation and Test Service Manual (TM12294)

89.00 USD

Buy button

Illustrated Factory Diagnostic, Operation and Test Service Manual for John Deere Crawler Dozer Model 700K

This manual contains high quality images, diagrams, instructions to help you to operate, maintenance, diagnostic, and repair your truck. This document is printable, without restrictions, contains searchable text, bookmarks, crosslinks for easy navigation.

Language: English
Format: PDF, 1161 pages

Covered models:
  700K (PIN: 1T0700KX**E 217278-275435)

Contents:
   Foreword
   General Information
      Safety
   Diagnostic Trouble Codes (DTCs)
      Engine Control Unit (ECU) Diagnostic Trouble Codes
      Standard Display Monitor (SDM) Diagnostic Trouble Codes
      Sealed Switch Module (SSM) Diagnostic Trouble Codes
      Vehicle Control Unit (VCU) Diagnostic Trouble Codes
      Blade Control Joystick (BCJ) Diagnostic Trouble Codes
      Electrohydraulic Controller (EHC) Diagnostic Trouble Codes
   Operational Checkout Procedure
      Operational Checkout Procedure
   Engine
      Theory Of Operation
      System Diagnostic Information
      Adjustments
      Tests
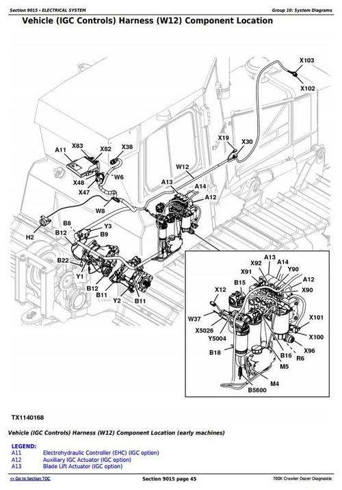
   Electrical System
      System Information
      System Diagrams
      Sub-System Diagnostics
      Monitor Operation
      Topcon Integrated Grade Control (IGC) Operation (Factory Installation)
      References
   Hydraulic System
      Theory of Operation
      Diagnostic Information
      Adjustments
      Tests
   Hydrostatic System
      Theory of Operation
      Diagnostic Information
      Test
   Heating and Air Conditioning
      Theory of Operation
      Diagnostic Information
      Test




Keywords: crawler dozer;700k;john deere;diagnostic, troubleshooting, manual
File Size: 46.9 MBytes

Buy button
Do you want to become a reseller/affiliate and get 10.0% provision?
Embed: Create JavaScript Mobile Tag Widgets for your homepage
Deer 700K Crawler Dozer (S.N. 217278-275435) Diagnostic, Operation and Test Service Manual (TM12294) Deer 700K Crawler Dozer (S.N. 217278-275435) Diagnostic, Operation and Test Service Manual (TM12294) crawler dozer;700k;john deere;diagnostic, troubleshooting, manual 281459374 89.00 bg-store Fresh Download Available!