Deer 850K Crawler Dozer (PIN: 1T0850KX_ _E178122...E271265) Service Repair Manual (TM12046)


Product picture Deer 850K Crawler Dozer (PIN: 1T0850KX_ _E178122...E271265) Service Repair Manual (TM12046)

36.00 USD

Buy button

Illustrated Factory Repair Manual for John Deere Dozer Crawler 850K Dozer

This manual contains high quality images, instructions to help you to troubleshoot, and repair your truck. This document is printable, without restrictions, contains searchable text, bookmarks, crosslinks for easy navigation.

This is repair only manual, Diagnostic Manual with electrical wiring diagrams are sold separate.

Language: English
Format: PDF, 638 pages

Covered models:
  850K (PIN: 1T0850KX_ _E178122271265)

Contents:
   Foreword
   Technical Information Feedback Form
   General Information
      Safety
      Torque Values
   Tracks
      Track System
   Axles and Suspension Systems
      Drive Axle Housing and Support
      Axle Shaft, Bearings and Reduction Gears
   Transmission
      Remove and Install
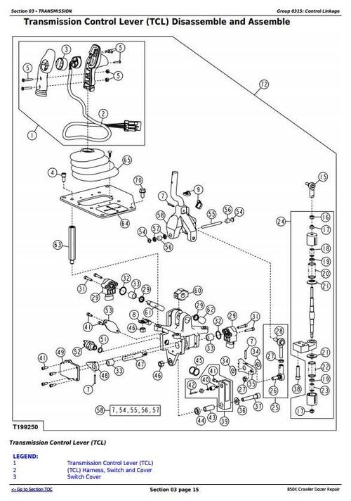
      Control Linkage
      Input Drive Shafts and U-Joints
      Hydrostatic System
   Engine
      Removal and Installation
   Engine Auxiliary Systems
      Cold Weather Starting Aid
      Cooling System
      Intake System
      External Exhaust Systems
      External Fuel Supply Systems
   Park Brake
      Park Brake
      Control Linkage
      Hydraulic System
   Equipment Attaching
      Drawbar
   Frames, Chassis, or Supporting Structure
      Frame Installation
      Frame Bottom Guards
      Chassis Weights
   Operators Station
      Removal and Installation
      Operator Enclosure
      Seat and Seat Belt
      Heating and Air Conditioning
   Sheet Metal
      Hood and Engine Enclosures
      Grille and Grille Housing
   Safety, Convenience and Miscellaneous
      Horn and Warning Devices
   Main Hydraulic System
      Hydraulic System
   Bulldozer
      Blade
      Frames
      Hydraulic System
   Ground Conditioning Tool
      Ripper
      Blades, Teeth, and Shanks
      Hydraulic System
   Dealer Fabricated Tools
      Dealer Fabricated Tools




Keywords: repair manual;crawler dozer;850k;john deere
File Size: 19.9 MBytes

Buy button
Do you want to become a reseller/affiliate and get 10.0% provision?
Embed: Create JavaScript Mobile Tag Widgets for your homepage
Deer 850K Crawler Dozer (PIN: 1T0850KX_ _E178122...E271265) Service Repair Manual (TM12046) Deer 850K Crawler Dozer (PIN: 1T0850KX_ _E178122...E271265) Service Repair Manual (TM12046) repair manual;crawler dozer;850k;john deere 281453990 36.00 bg-store Fresh Download Available!