Deer 1175, 1175 Hydro Combine Diagnostic and Tests Technical Manual (TM802919)


Product picture Deer 1175, 1175 Hydro Combine Diagnostic and Tests Technical Manual (TM802919)

24.00 USD

Buy button

Illustrated Factory Diagnostic and Tests Technical Manual for John Deere Combines 1175, 1175 Hydro

This manual contains high quality images, circuit diagrams, instructions to help you to maintenance, trounleshooting, diagnostic, and repair your truck. This document is printable, without restrictions, contains searchable text, bookmarks, crosslinks for easy navigation.

Language: English
Format: PDF, 465 pages

Covered models:
  1175
  1178 Hydro

Contents:
   Foreword
   General Information
      Safety
      General References
      Specific Technical References
   Diagnostic Trouble Codes
      Trouble Codes During Calibrations
      Display Control Unit Failure Codes
      Header and Combine Control Unit Failure Codes
   Observable Symptoms
      Electrical System
      Transmission
      Steering System
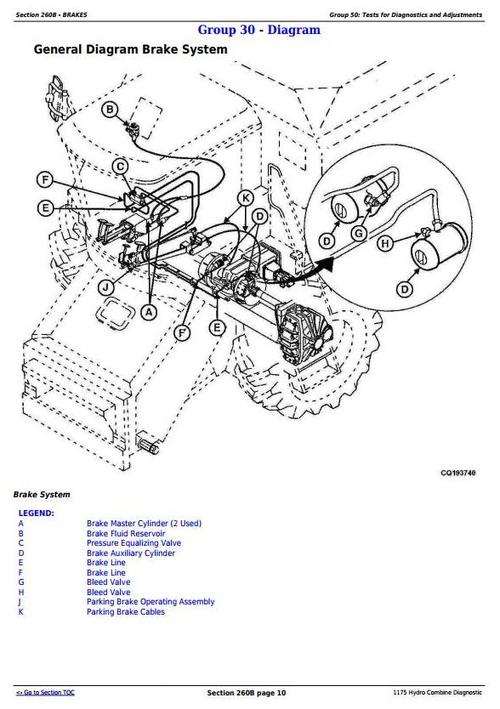
      Brakes
      Hydraulic System
      Air Conditioning
   Engine
      Engine
   Fuel, Air Intake and Coolant
      General Information
      Tests and Preliminary Checks
      Theory of Operation
      Diagram
   Fuel System, Air Intake and Cooling Component Information
      General Information
      Fuel System Components
      Air Intake System Components
      Cooling System Components
   Electrical System
      General Information
      Calibrations and Preliminary Checks
      Theory of Operation
      Diagram
      Tests for Diagnostics and Adjustments
   Control Units
      General Information
      Theory of Operation
      Diagram
      Display Control Unit Addresses
      Header Control Unit Addresses
   Information on Electrical Components
      Connector and Component Data
   Transmission
      General Information
      Operation and Preliminary Checks
      Theory of Operation
      Diagram
      Tests for Diagnostics and Adjustments
   Information on Transmission Components
      Transmission Components
   Steering and Brakes
      General Information
   Steering System
      Theory of Operation
      Diagram
      Tests for Diagnostics and Adjustments
   Brakes
      Theory of Operation
      Diagram
      Tests for Diagnostics and Adjustments
   Information on Steering and Brake Components
      Steering and Brake Components
   Hydraulic
      General Information
      Theory of Operation
      Diagram
      Diagnostic Procedure
   Information on Hydraulic Components
      Information on Hydraulic Components
   Cab
      General Information
   Air Conditioning
      General Information
      Operation and Preliminary Checks
      Theory of Operation
      Diagram
      Tests for Diagnostics and Adjustments
   Information on Cab Components
      Information on Cab Components
   Tools
      Recommended Tools




Keywords: john deere;troubleshooting manual;1175 hydro;combine
File Size: 14.4 MBytes

Buy button
Do you want to become a reseller/affiliate and get 10.0% provision?
Embed: Create JavaScript Mobile Tag Widgets for your homepage
Deer 1175, 1175 Hydro Combine Diagnostic and Tests Technical Manual (TM802919) Deer 1175, 1175 Hydro Combine Diagnostic and Tests Technical Manual (TM802919) john deere;troubleshooting manual;1175 hydro;combine 281421134 24.00 bg-store Fresh Download Available!