Deer 600CLC and 800C Excavator Diagnostic, Operation and Test Service Manual (TM1922)


Product picture Deer 600CLC and 800C Excavator Diagnostic, Operation and Test Service Manual (TM1922)

39.00 USD

Buy button

Illustrated Factory Diagnostic, Operation and Test Service Manual for John Deere Excavator 600CLC and 800C

This manual contains high quality images, diagrams, instructions to help you to operate, maintenance, diagnostic, and repair your truck. This document is printable, without restrictions, contains searchable text, bookmarks, crosslinks for easy navigation.

Language: English
Format: PDF, 598 pages

Covered models:
  800C
  600CLC

Contents:
   Foreword
   Technical Information Feedback Form
   General Information
      Safety
      Torque Values
   Operational Checkout Procedure
      Operational Checkout Procedure
   Engine
      Theory of Operation
      Diagnostic Information
      Adjustments
      Tests
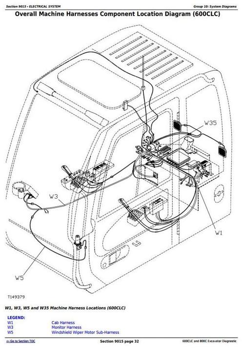
   Electrical System
      System Information
      System Diagrams
      Sub-System Diagnostics
      References
   Power Train
      Theory of Operation
      Diagnostic Information
   Hydraulic System
      Theory of Operation
      Diagnostic Information
      Tests
   Air Conditioning System
      Theory of Operation
      Diagnostic Information
      Tests




Keywords: 800c;600clc;john deere;troubleshooting manual
File Size: 43.1 MBytes

Buy button
Do you want to become a reseller/affiliate and get 10.0% provision?
Embed: Create JavaScript Mobile Tag Widgets for your homepage
Deer 600CLC and 800C Excavator Diagnostic, Operation and Test Service Manual (TM1922) Deer 600CLC and 800C Excavator Diagnostic, Operation and Test Service Manual (TM1922) 800c;600clc;john deere;troubleshooting manual 281396050 39.00 bg-store Fresh Download Available!