Deer 50ZTS Compact Excavator Service Repair Technical Manual (TM1818)


Product picture Deer 50ZTS Compact Excavator Service Repair Technical Manual (TM1818)

25.00 USD

Buy button

Illustrated Factory Service Repair Technical Manual for John Deere Compact Excavator 50ZTS

This manual contains high quality images, instructions to help you to troubleshoot, and repair your truck. This document is printable, without restrictions, contains searchable text, bookmarks, crosslinks for easy navigation.

This is repair only manual, Diagnostic Manual with electrical wiring diagrams are sold separate.

Language: English
Format: PDF, 635 pages

Covered models:
  50ZTS

Contents:
   Foreword
   Technical Information Feedback Form
   General Information
      Safety
      General Specifications
      Torque Values
      Fuels and Lubricants
   Tracks
      Track System
   Axles and Suspension Systems
      Axle Shaft, Bearings, and Reduction Gears
      Hydraulic System
   Engine
      Removal and Installation
   Engine Auxiliary Systems
      Cold Weather Starting Aids
      Cooling System
      Speed Controls
      Intake System
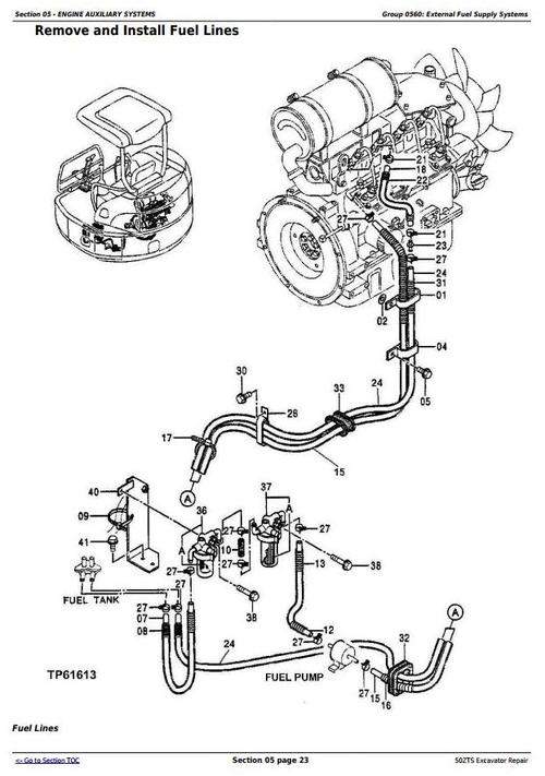
      External Fuel Supply Systems
   Dampener Drive (Flex Coupling)
      Elements
   Electrical System
      Batteries, Support, and Cables
      Alternator, Regulator, and Charging System Wiring
      Wiring Harness and Switches
      Instruments and Indicators
   Frame or Supporting Structure
      Frame Installation
      Chassis Weights
   Operators Station
      Removal and Installation
      Operator Enclosure
      Seat and Seat Belt
      Heating
   Bulldozers (Backfill Blade)
      Blades
      Control Linkage
      Hydraulic System
   Excavator
      Buckets
      Frames
      Hydraulic System
   Swing or Pivoting System
      Mechanical Drive Elements
      Hydraulic System
   Dealer Fabricated Tools
      Dealer Fabricated Tools




Keywords: repair manual;excavator;50zts;john deere
File Size: 16 MBytes

Buy button
Do you want to become a reseller/affiliate and get 10.0% provision?
Embed: Create JavaScript Mobile Tag Widgets for your homepage
Deer 50ZTS Compact Excavator Service Repair Technical Manual (TM1818) Deer 50ZTS Compact Excavator Service Repair Technical Manual (TM1818) repair manual;excavator;50zts;john deere 281393742 25.00 bg-store Fresh Download Available!