Deer 380GLC Excavator (PIN: 1FF380GX__F900006-) Diagnostic, Operation and Test (TM13204X19)


Product picture Deer 380GLC Excavator (PIN: 1FF380GX__F900006-) Diagnostic, Operation and Test (TM13204X19)

59.00 USD

Buy button

Illustrated Factory Diagnostic, Operation and Test Service Manual for John Deere Excavator 380GLC

This manual contains high quality images, diagrams, instructions to help you to operate, maintenance, diagnostic, and repair your truck. This document is printable, without restrictions, contains searchable text, bookmarks, crosslinks for easy navigation.

Language: English
Format: PDF, 1071 pages

Covered models:
  380GLC (PIN: 1FF380GX__F900006-)

Contents:
   Foreword
   Manual IdentificationREAD THIS FIRST!
   Technical Information Feedback Form
   General Information
      Safety
   Diagnostics
      Main Controller (MCZ) Diagnostic Trouble Codes
      Engine Control Unit (ECU) Diagnostic Trouble Codes
      Monitor Controller (DSZ) Diagnostic Trouble Codes
      Information Controller (ICZ) Diagnostic Trouble Codes
      Air Conditioner Controller (ACF) Diagnostic Trouble Codes
   Operational Checkout Procedure
      Operational Checkout Procedure
   Engine
      Theory of Operation
      Diagnostic Information
      Adjustments
      Tests
   Electrical System
      System Information
      System Diagrams
      Sub-System Diagnostics
      Monitor Operation
      References
   Power Train
      Theory of Operation
      Diagnostic Information
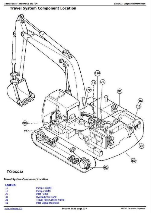
   Hydraulic System
      Theory of Operation
      Diagnostic Information
      Tests
   Heating and Air Conditioning
      Theory of Operation
      Diagnostic Information
      Tests
   Dealer Fabricated Tools
      Dealer Fabricated Tools




Keywords: john deere;380glc;excavator;diagnostic manual
File Size: 92.3 MBytes

Buy button
Do you want to become a reseller/affiliate and get 10.0% provision?
Embed: Create JavaScript Mobile Tag Widgets for your homepage
Deer 380GLC Excavator (PIN: 1FF380GX__F900006-) Diagnostic, Operation and Test (TM13204X19) Deer 380GLC Excavator (PIN: 1FF380GX__F900006-) Diagnostic, Operation and Test (TM13204X19) john deere;380glc;excavator;diagnostic manual 281385042 59.00 bg-store Fresh Download Available!