Deer 5075GF, 5075GL, 5075GN, 5075GV, 5080G, 5085GF, 5085GL, 5085GN, 5085GV, 5090G, 5090GH, 5100GF 5100GN Tractors Repair (TM406419)


Product picture Deer 5075GF, 5075GL, 5075GN, 5075GV, 5080G, 5085GF, 5085GL, 5085GN, 5085GV, 5090G, 5090GH, 5100GF 5100GN Tractors Repair (TM406419)

39.00 USD

Buy button

Illustrated Factory Repair for John Deere Italy Tractors 5080G, 5090G, 5090GH, 5075GL, 5085GL, 5075GF, 5085GF, 5100GF, 5075GN, 5085GN, 5100GN, 5075GV, 5085GV


This manual contains high quality images, instructions to help you to troubleshoot, and repair your truck. This document is printable, without restrictions, contains searchable text, bookmarks, crosslinks for easy navigation.

This is repair only manual, Diagnostic Manual with electrical wiring diagrams are sold separate.

Language: English
Format: PDF, 1080 pages

Covered models:
  5080G
  5090G
  5090GH
  5100GF
  5100GN
  5085GL
  5075GF
  5085GF
  5075GN
  5085GN
  5075GV
  5085GV
  5075GL

Contents:
   Foreword
   Safety
      Safety Measures
   General Information
      Specifications
      Tune-Up
      Predelivery Inspection
   Engine
      Removal and Installation of Engine Components
   Fuel and Air Intake Systems
      Speed Control Linkage
      Fuel System
      Air Intake System
   Electrical System
      Battery, Starter Motor, and Alternator
      Switches and Sensors
   Drive Train (without Transmission)
      Component Removal and Installation
      Front-Wheel Drive Clutch - Transmission
      Differential
      Final Drives
      Power Take-Off
      Transmission Housing - Sensors
   Mechanical Transmissions
      Removal and Installation of Power Train Components
      Clutch
      Hi-Lo Clutch (24/24-Speed Transmission)
      Transmission
   Power Reverser Transmission (24-12)
      Removal and Installation of Components - 24/12-Speed Transmission
      Electro-Hydraulic Forward High/Low and Reverse Clutch - 24/12-Speed Transmission
   Steering and Brake Systems
      Steering System
      Brake System
   Hydraulic System
      Hydraulic Pump and Filter
      Hitch
      Three-Point Hitch
      Selective Control Valves
   Miscellaneous
      Removal and Installation of Components
      Front Axle
      Front and Rear Wheels
      Trailer Mounting and Swinging Drawbar
      Fenders
   Operators Cab and Open Operators Station
      Remove and Install Operators Cab/Open Operators Station
      Controls and Instruments
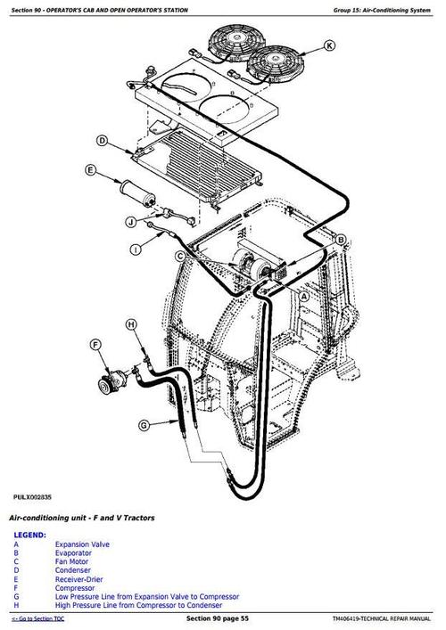
      Air-Conditioning System
      Heating System
      Operators Cab
      Open Operators Station
      Operators Seat
   Special Tools
      Special Tools (Dealer-Fabricated)
      Special Tools (Available as Spare Parts)




Keywords: 5090g,5090gh;5075gf, 5075gl, 5075gn, 5075gv;5080g,5100gf,5100gn;5085gf,50856gl,5085gn,5085gn
File Size: 32.4 MBytes

Buy button
Do you want to become a reseller/affiliate and get 10.0% provision?
Embed: Create JavaScript Mobile Tag Widgets for your homepage
Deer 5075GF, 5075GL, 5075GN, 5075GV, 5080G, 5085GF, 5085GL, 5085GN, 5085GV, 5090G, 5090GH, 5100GF 5100GN Tractors Repair (TM406419) Deer 5075GF, 5075GL, 5075GN, 5075GV, 5080G, 5085GF, 5085GL, 5085GN, 5085GV, 5090G, 5090GH, 5100GF 5100GN Tractors Repair (TM406419) 5090g,5090gh;5075gf, 5075gl, 5075gn, 5075gv;5080g,5100gf,5100gn;5085gf,50856gl,5085gn,5085gn 281333734 39.00 bg-store Fresh Download Available!