Deer Tractors 6120, 6220, 6320, 6420, 6120L, 6220L, 6320L, 6420L,6520L Diagnostic Service Manual (tm4646)


Product picture Deer Tractors 6120, 6220, 6320, 6420, 6120L, 6220L, 6320L, 6420L,6520L Diagnostic Service Manual (tm4646)

144.00 USD

Buy button

Illustrated Factory Diagnosis and Tests Service Manual for John Deere 2WD or MFWD Tractors 6120, 6220, 6320, 6420, 6120L, 6220L, 6320L, 6420L & 6520L

This manual contains high quality images, circuit diagrams, diagnostic procedures to help you to diagnostic, troubleshoot and repair your truck. This document is printable, without restrictions, contains searchable text, bookmarks, crosslinks for easy navigation.

This is Diagnostic manual, including electical wiring diagrams, Repair manual are sold separate.

Language: English
Format: PDF, 4872 pages

Covered models:
  6120
  6220
  6320
  6420
  6120L
  6220L
  6320L
  6420L
  6520L

Contents:

   Foreword
   Version date
   GENERAL INFORMATION
      Safety Measures
      General References
   ENGINE
      Operational Check-Out
      Tests and Adjustments
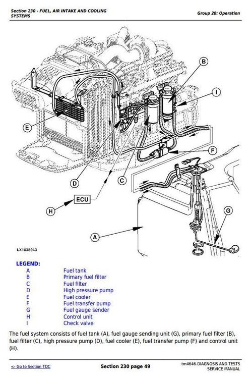
   FUEL, AIR INTAKE AND COOLING SYSTEMS
      Tests and Adjustments
      Operation
   ELECTRICAL SYSTEM
      Sub-System Diagnostics (Cab)
      Sub-System Diagnostics (Open Operators Station)
      Component Tests
      Functional Schematics (AutoPowr/IVT Transmission)
      Functional Schematics (PowrQuad Plus, AutoQuad and AutoQuad Plus Transmissions)
      Functional Schematics (Open Operators Station)
      Summary of Wiring Harnesses
      Wiring Harnesses
      Wiring Harnesses (Continued)
      Wiring Harnesses from Serial Number 398656
      Wiring Harnesses from Serial Number 398656 (Continued)
   ELECTRONIC CONTROL UNITS
      Operation and General Information on Diagnostics
      Data BUS Systems, Theory of Operation
      ATC - Automatic Temperature Control Unit
      BCU - Basic Control Unit
      BIF - Basic Informator
      ECU - Engine Control Unit
      EPC - Control Unit for PowrQuad Plus, AutoQuad and AutoQuad Plus Transmissions
      JDL Control Unit for JDLink
      PLC - Park Lock Controller
      PRF - Performance Monitor
      SFA - Control Unit for Front-Wheel Drive Axle and Cab Suspension
      SIC - Control Unit for Electrically Actuated Selective Control Valves
      SSU - Control Unit for AutoTrac
      TCU - Control Unit for AutoPowr/IVT Transmission
      TEC - Control Unit for Tractor Equipment Interface
      UIC - User Interface Controller
      UIM - User Interface Module, Keyboard for ISOBUS Display
   SYNCROPLUS TRANSMISSION
      Introductory Checks
      Operational Check-Out
      Tests and Adjustments
      Operation
   POWER REVERSER TRANSMISSION
      Operational Check-Out
      Tests and Adjustments
      Operation
   AUTOPOWR/IVT TRANSMISSION
      Operational Check-Out
      Tests and Adjustments
      Operation
   POWRQUAD, POWRQUAD PLUS, AUTOQUAD AND AUTOQUAD PLUS TRANSMISSIONS
      Operational Check-Out
      Tests and Adjustments
      Operation
   DRIVE SYSTEMS
      Operational Check-Out
      Tests and Adjustments
      Operation
   STEERING AND BRAKES
      Introductory Checks
      Operational Check-Out
      Tests and Adjustments
      Operation
   HYDRAULIC SYSTEM
      Operational Check-Out
      Tests and Adjustments
      Operation
   MISCELLANEOUS
      Operational Check-Out
      Tests and Adjustments
      Operation
   OPERATORS CAB
      Operational Check-Out
      Tests and Adjustments
      Operation
   SPECIAL TOOLS
      Special Tools (Dealer-Fabricated)
      Special Tools and Test Equipment




Keywords: 6520l;john deere;6220, 6120;6420, 6320
File Size: 88.5 MBytes

Buy button
Do you want to become a reseller/affiliate and get 10.0% provision?
Embed: Create JavaScript Mobile Tag Widgets for your homepage
Deer Tractors 6120, 6220, 6320, 6420, 6120L, 6220L, 6320L, 6420L,6520L Diagnostic Service Manual (tm4646) Deer Tractors 6120, 6220, 6320, 6420, 6120L, 6220L, 6320L, 6420L,6520L Diagnostic Service Manual (tm4646) 6520l;john deere;6220, 6120;6420, 6320 281105734 144.00 bg-store Fresh Download Available!